P-1601 csigaszivattyú

p-160-1_csigaszivatty_2
p-160-1_csigaszivatty_2p16012
A kép csak illusztráció

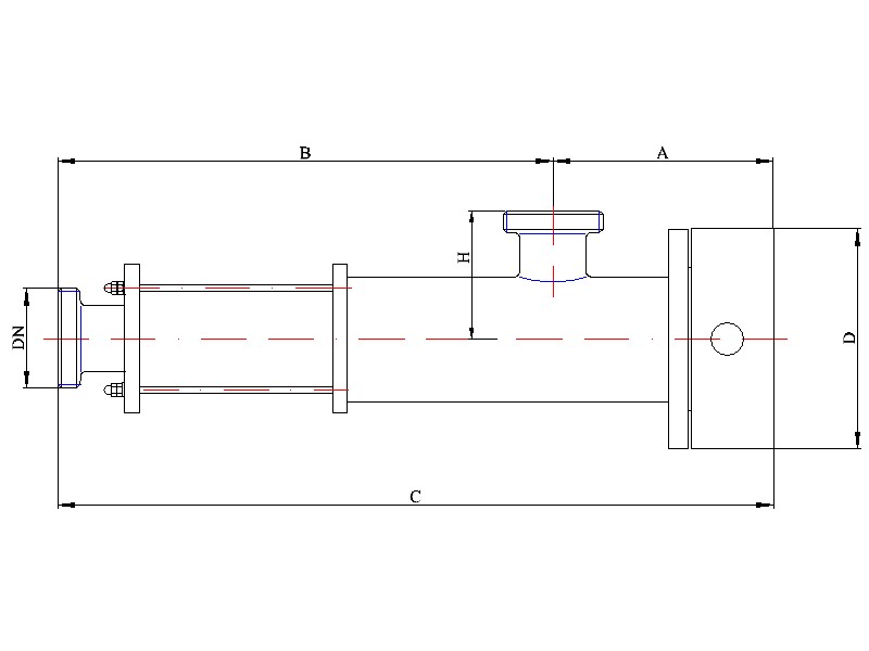
Beépítési méretek
A B C D H DN
P - 04 75 160 235 100 75 25
P - 10 75 160 235 100 75 25
P - 20 105 320 425 120 75 25
P - 40 105 320 425 120 75 40
P - 80 160 375 535 160 75 40
P - 160 220 465 685 160 90 50
P - 280 220 535 755 160 90 65

 


Megjegyzés: DN DIN11851 szerinti zsinórmenet



Műszaki adatok: P-160


Típus Qmax/liter/perc Pmax/bar/ nmax/ford/perc
P-1601 160 6 1000

Kapcsolat

6000 Kecskemét, Hajdú u. 4.

  • Telefon +36/30 9783-622

  • e-mail: info@perfekt.co.hu

Hírlevél