P-80 Screw pump

p-80_csigaszivatty_1_1784989251
p-80_csigaszivatty_1_1784989251p8033
Gratuit

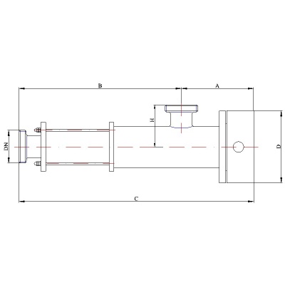
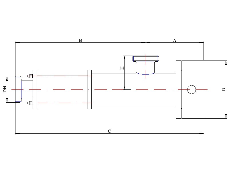
Beépítési méretek
A B C D H DN
P - 04 75 160 235 100 75 25
P - 10 75 160 235 100 75 25
P - 20 105 320 425 120 75 25
P - 40 105 320 425 120 75 40
P - 80 160 375 535 160 75 40
P - 160 220 465 685 160 90 50
P - 280 220 535 755 160 90 65

 


Megjegyzés: DN DIN11851 szerinti zsinórmenet



Műszaki adatok: P-80


Típus Qmax/liter/perc Pmax/bar/ nmax/ford/perc
P-80 80 6 1400

Contact RO

H-6000 Kecskemét, Hajdú utca 4.

  • Telefon+36/30 9783 622

  • e-mail: info@perfekt.co.hu

Newsletter RO

Copyright © 2017 Perfekt Bt. Minden jog fenntartva. Created By Okosweblap.hu